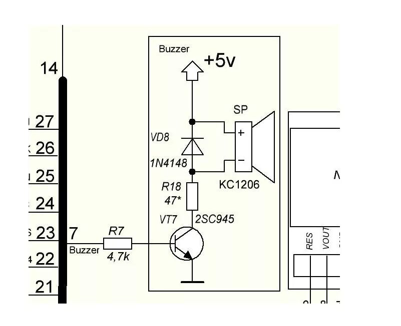
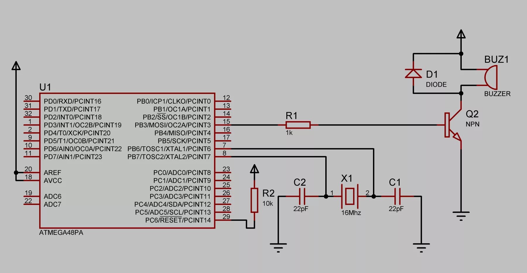
Как подключить зуммер