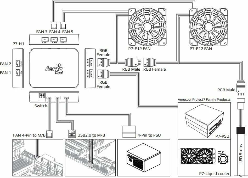
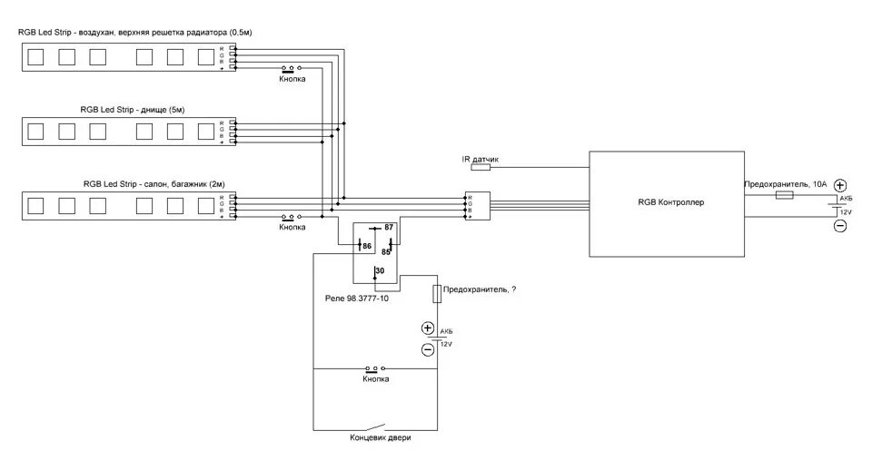
Как подключить вентилятор с rgb подсветкой