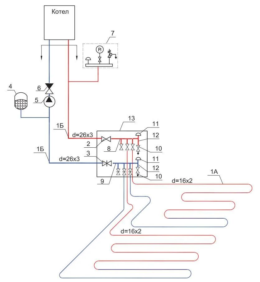
Как подключить теплый пол к котлу