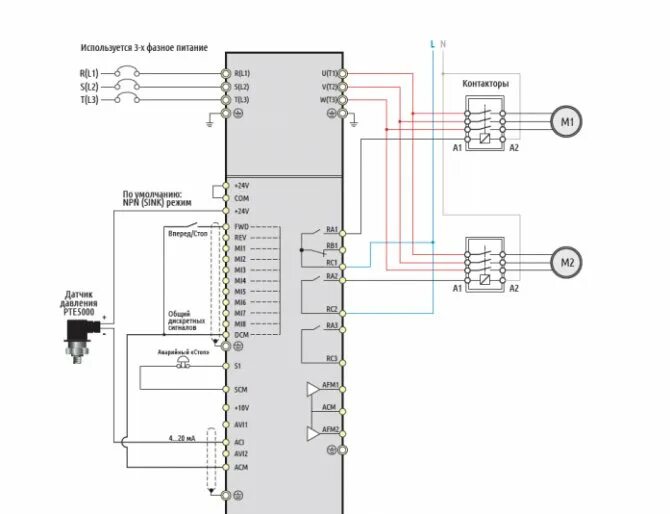
Как подключить t900 pro max