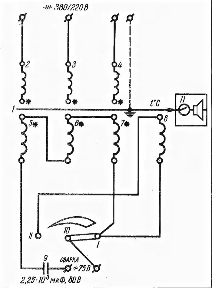
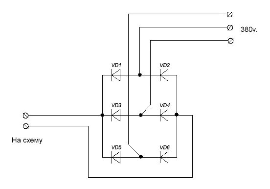
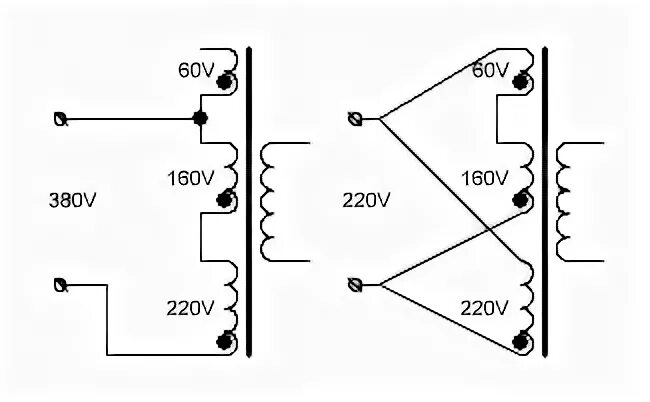
Как подключить сварочный к сети