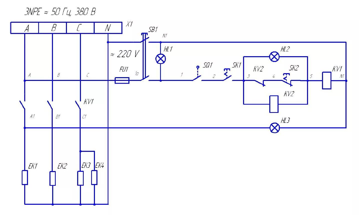
Как подключить спираль