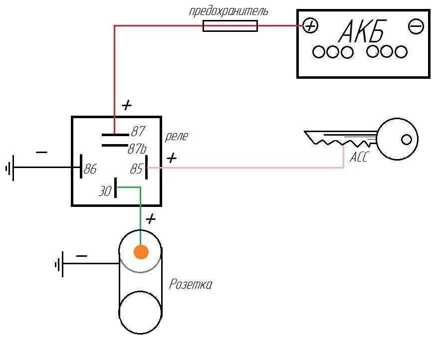
Как подключить розетка 12 вольт