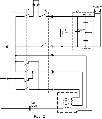
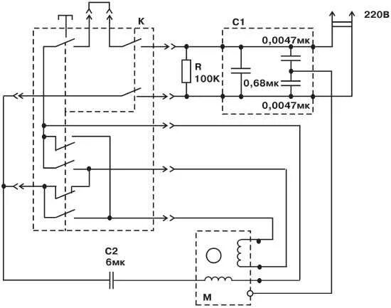
Как подключить реле стиральной машины