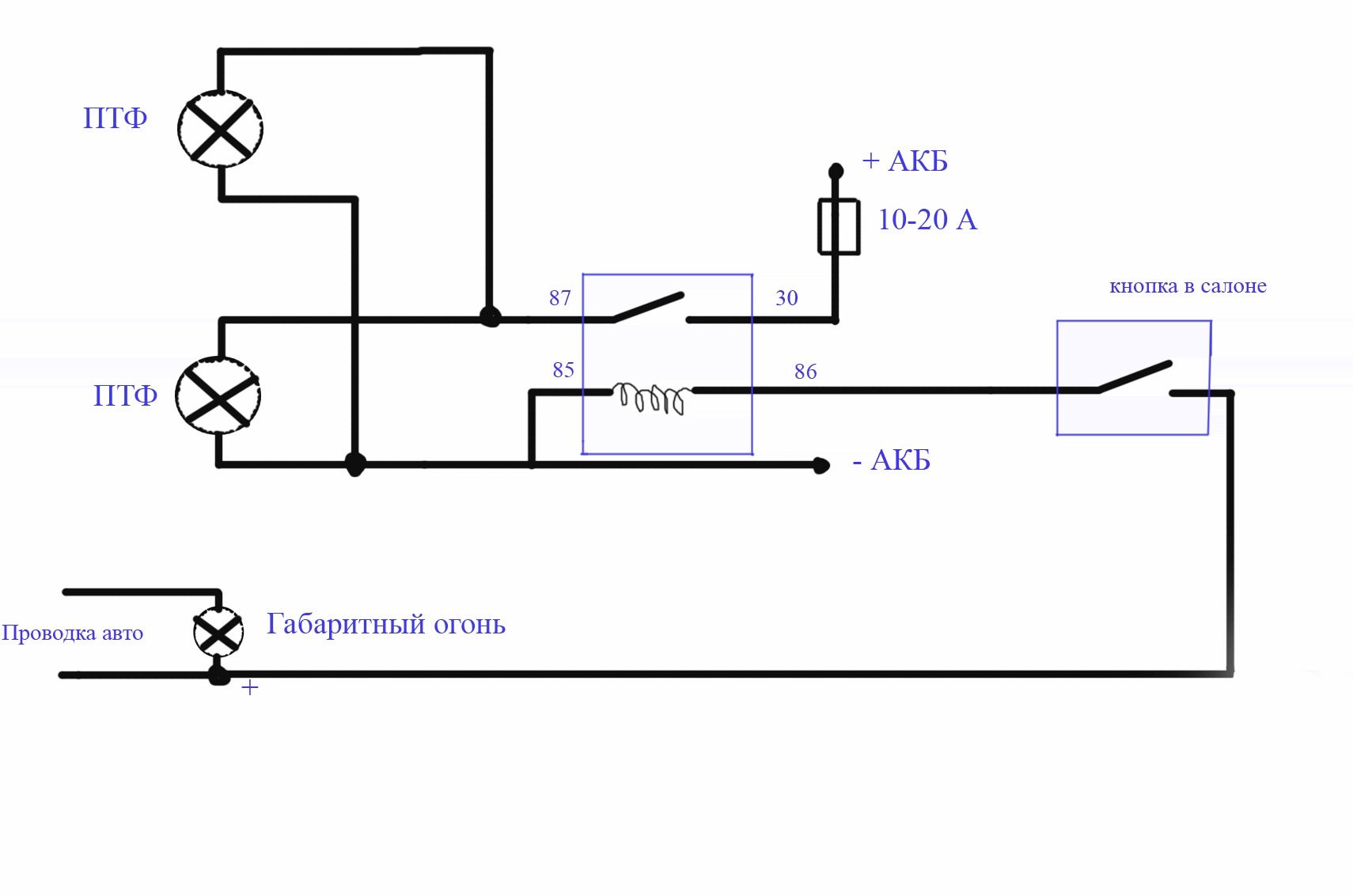
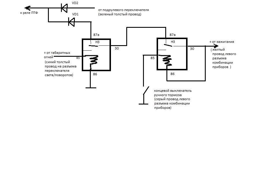
Как подключить реле на противотуманные фары