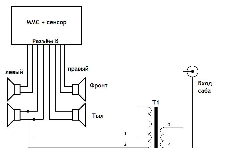
Как подключить пассивный сабвуфер к усилителю