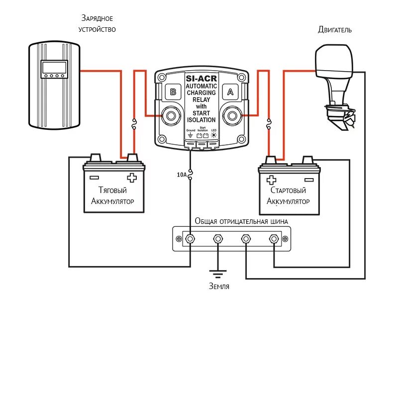
Как подключить мотор к аккумулятору