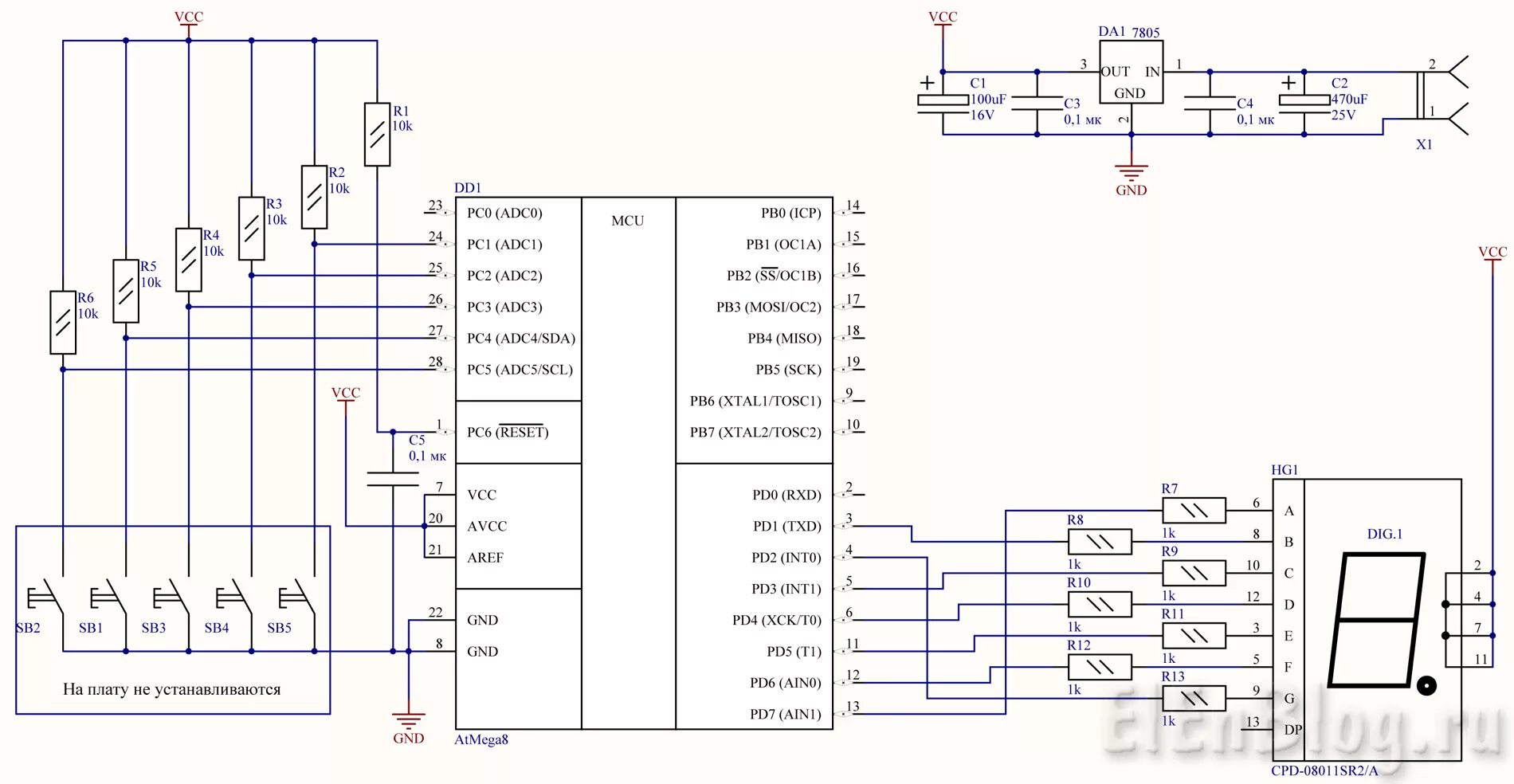
Как подключить мк