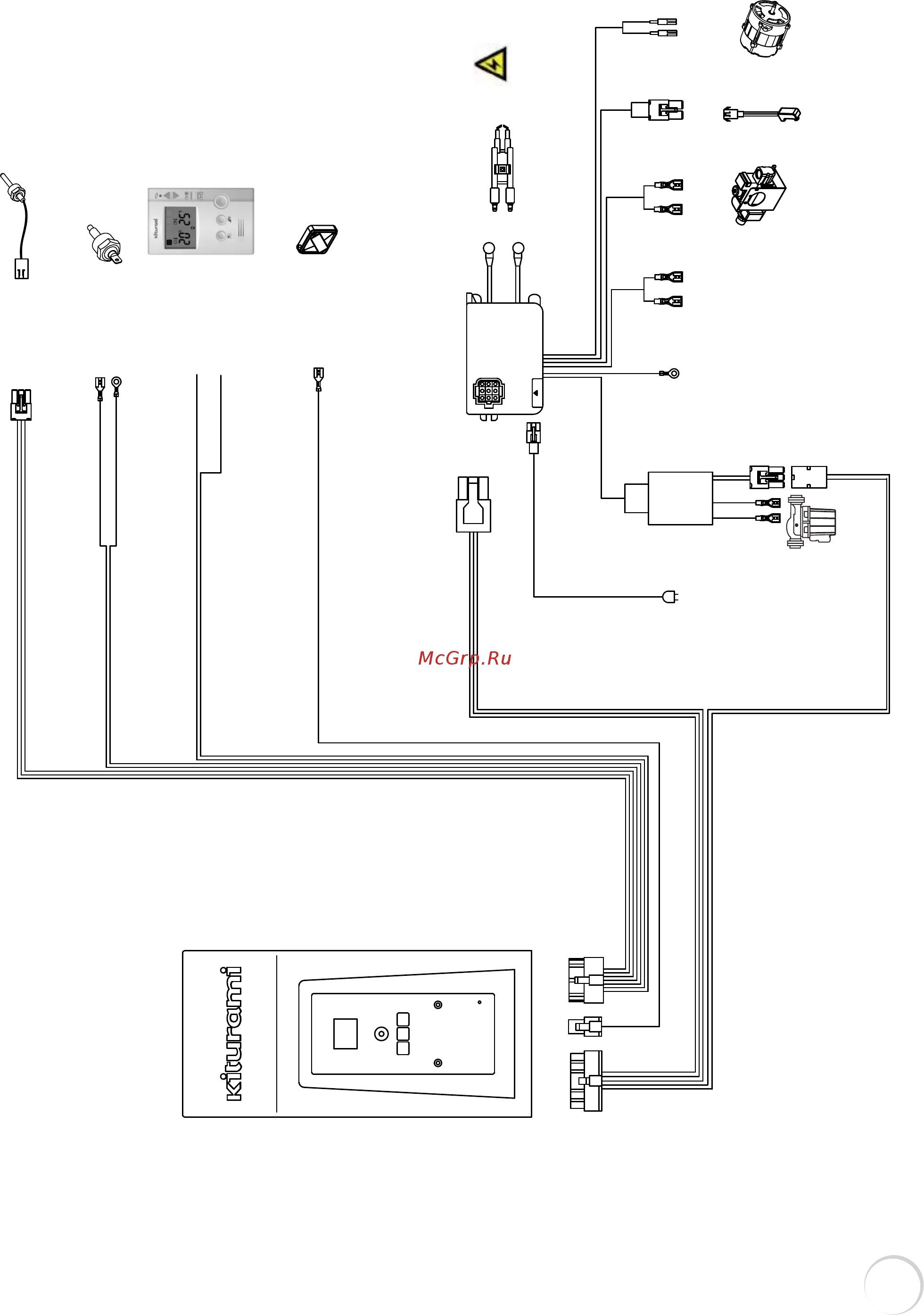
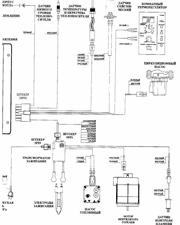
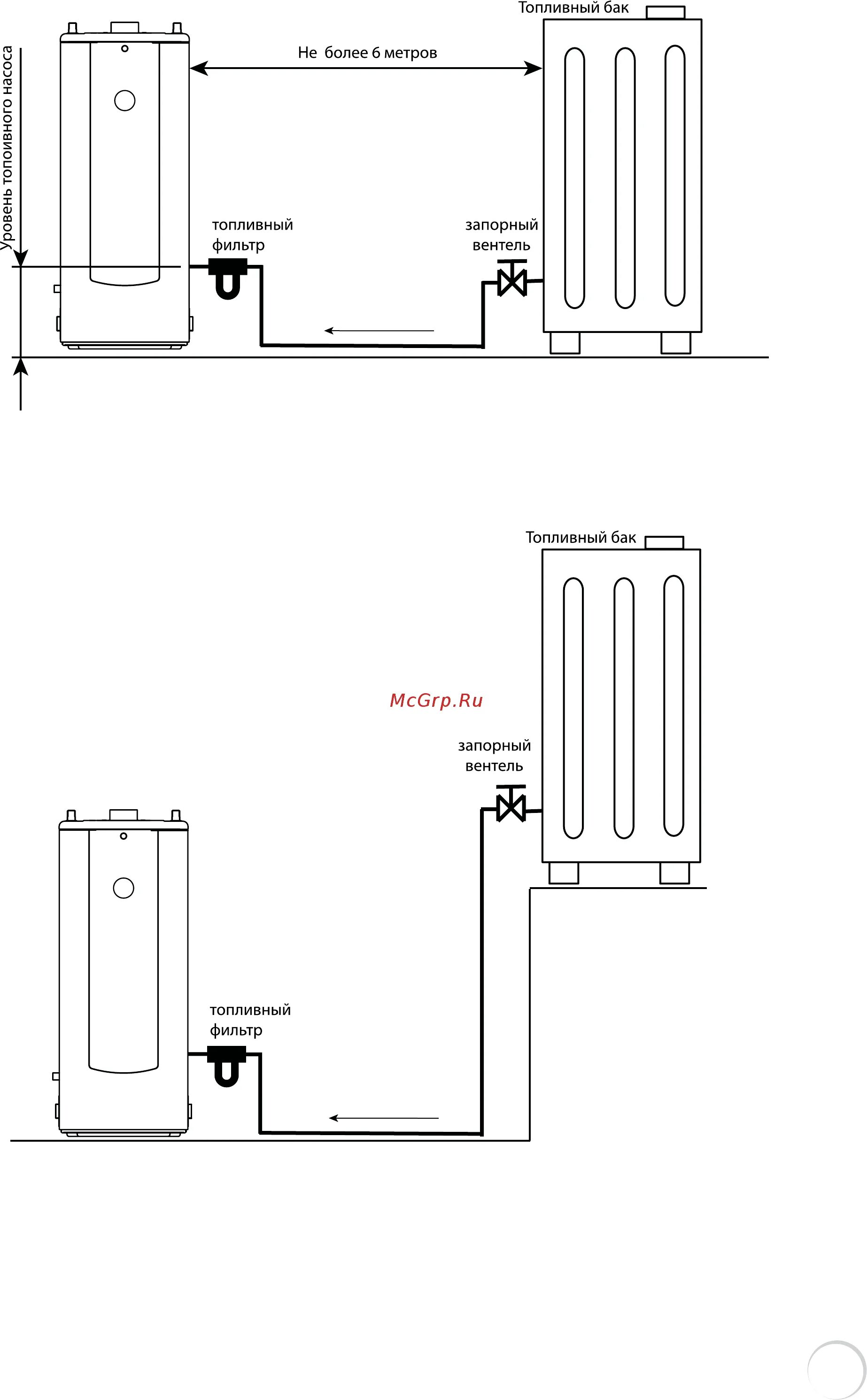
Как подключить котел китурами