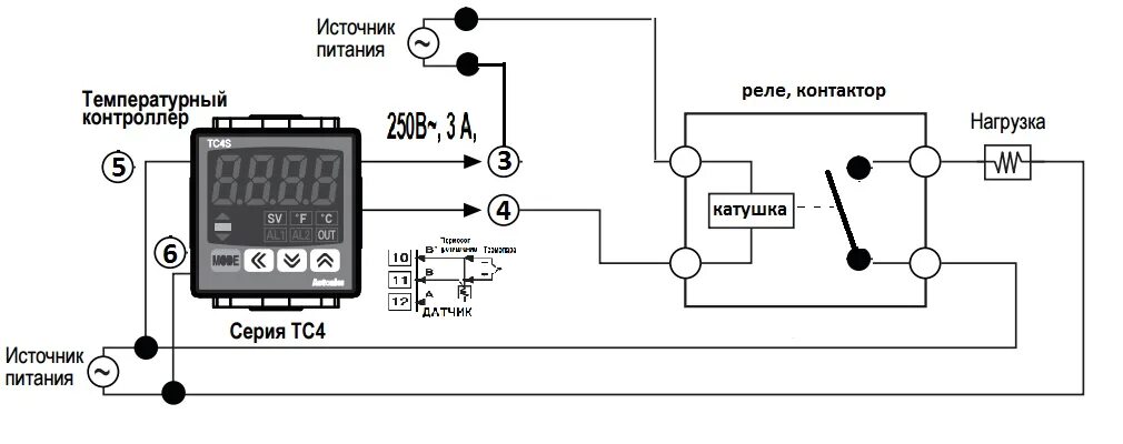
Как подключить контроллер температуры