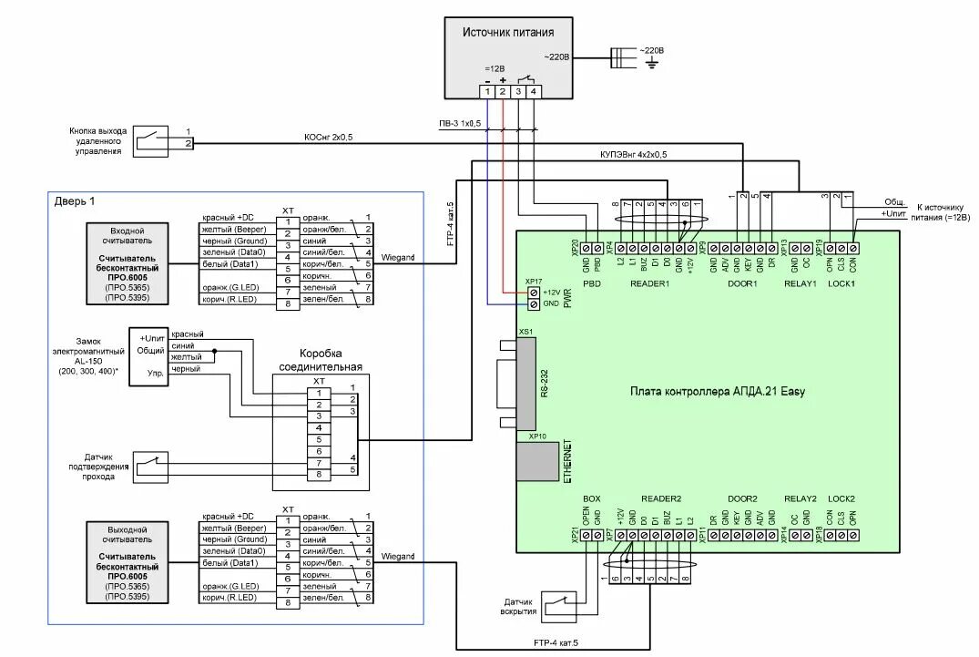
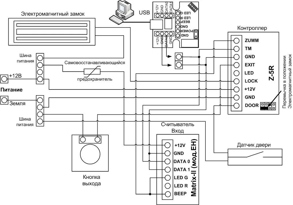
Как подключить кнопку выход