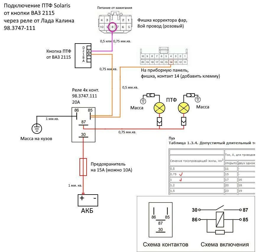
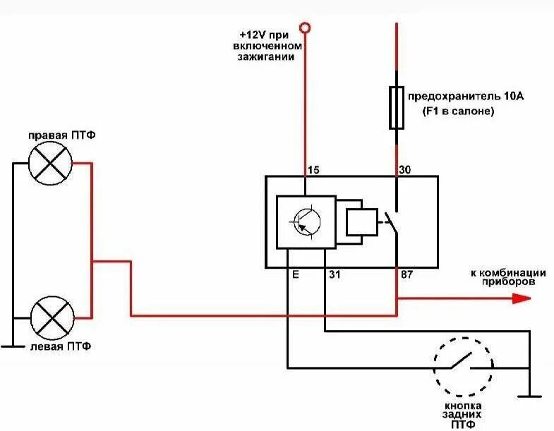
Как подключить кнопку туманок