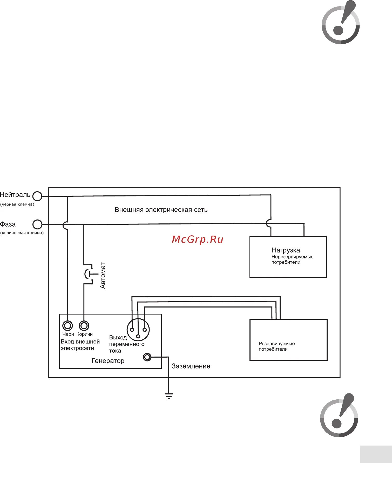
Как подключить генератор к газовому котлу