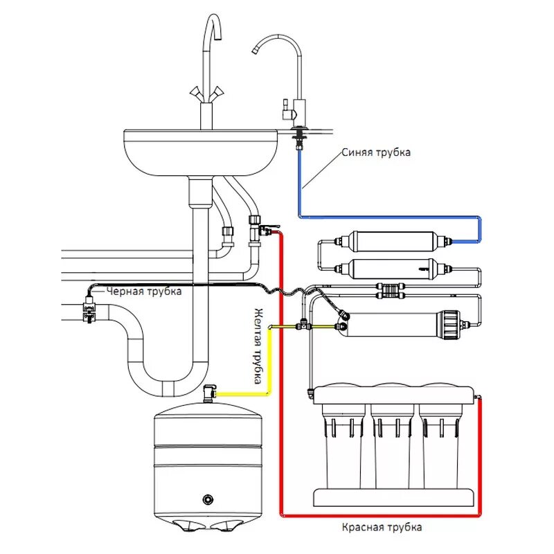
Как подключить фильтр обратного осмоса