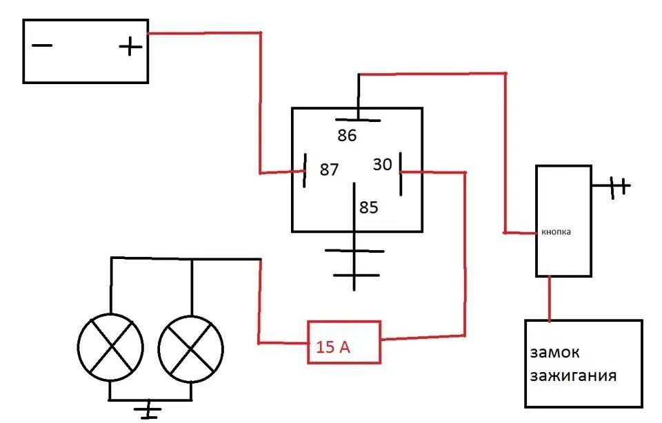
Как подключить фары через реле