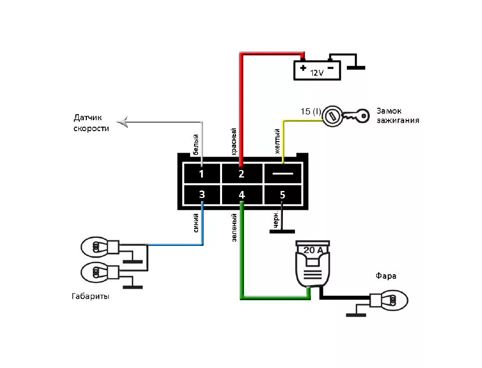
Как подключить фару на питбайк