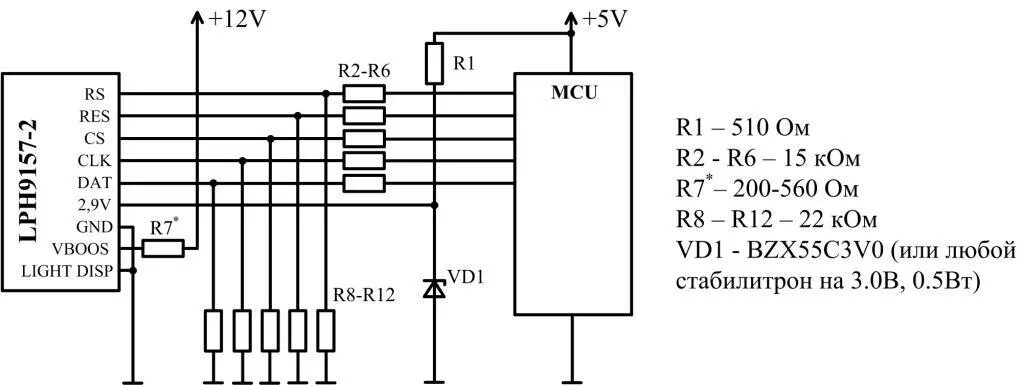
Как подключить экран телефона