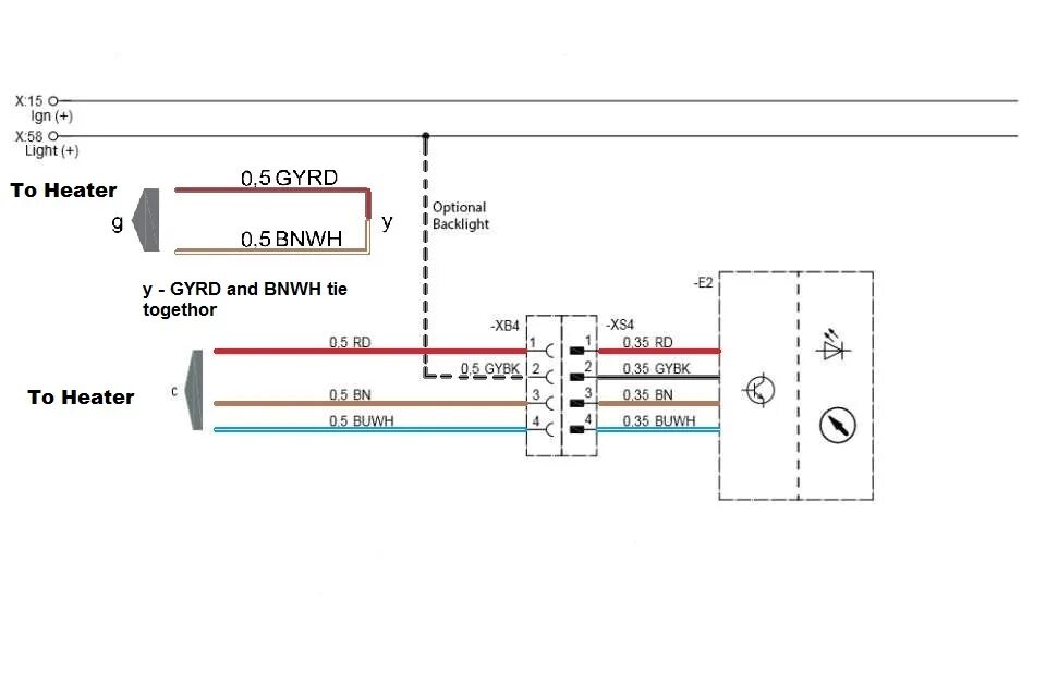
Как подключить eberspacher