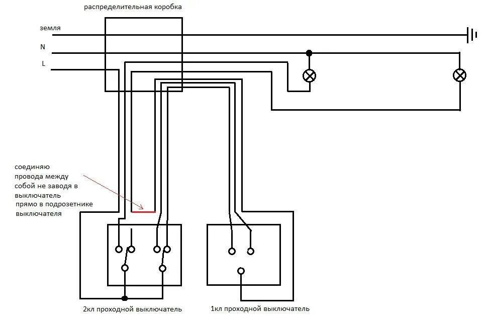
Как подключить два одноклавишных выключателя