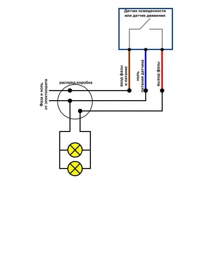
Как подключить датчик движения на свет