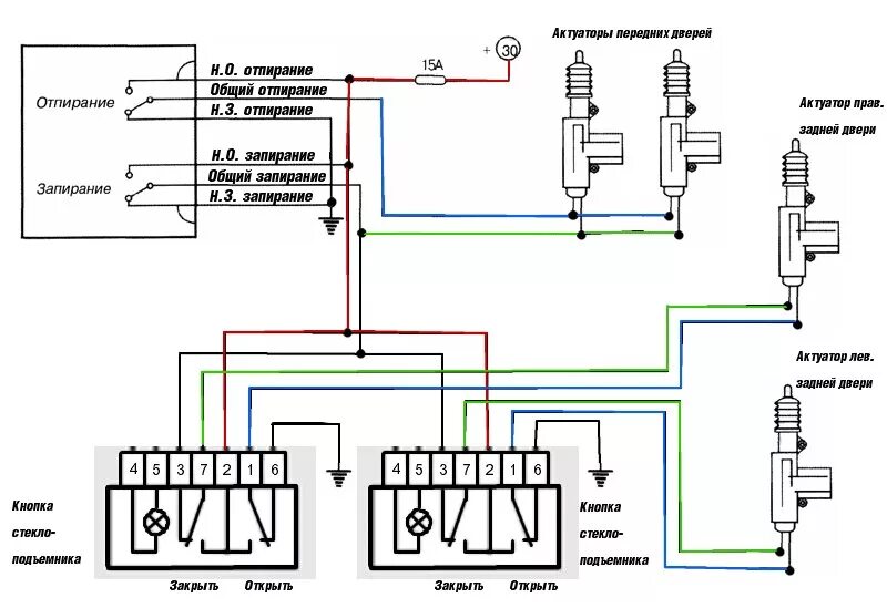
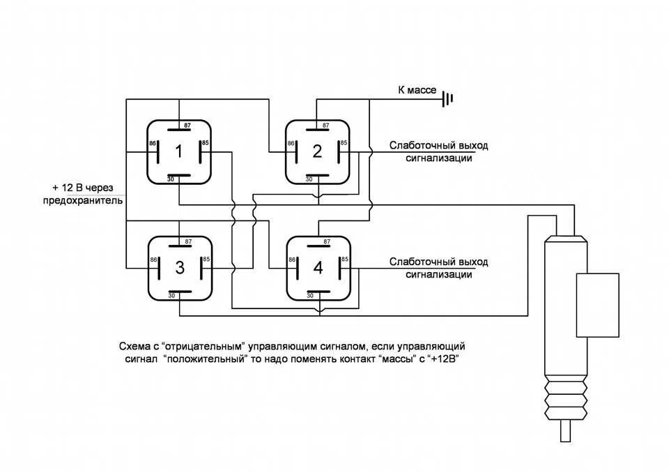
Как подключить блок управления центральным замком