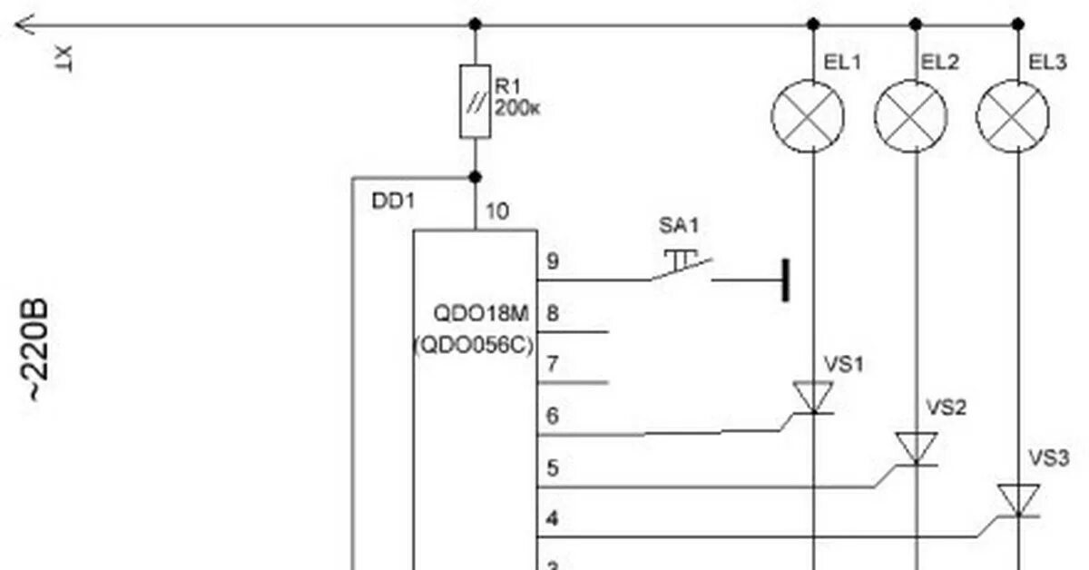
Как подключить блок управления гирляндой