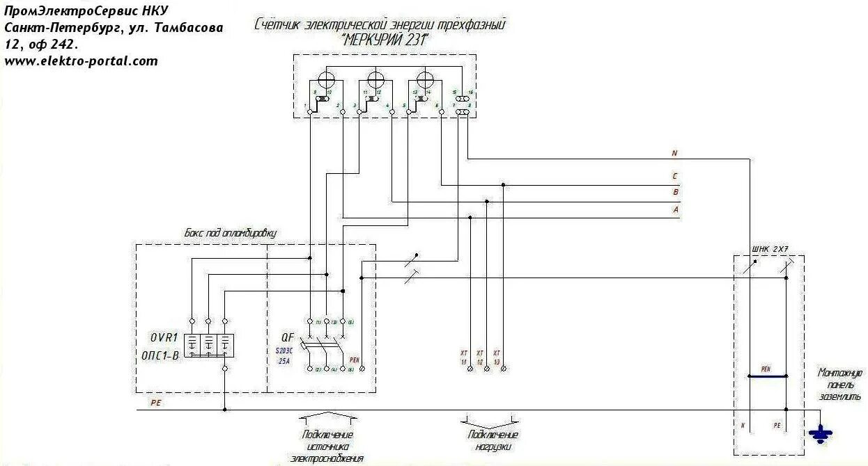
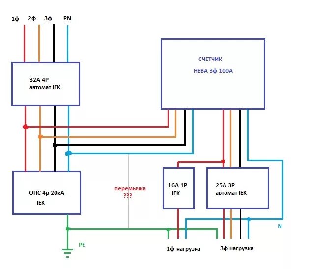
Как подключить 380 вольт в частный дом