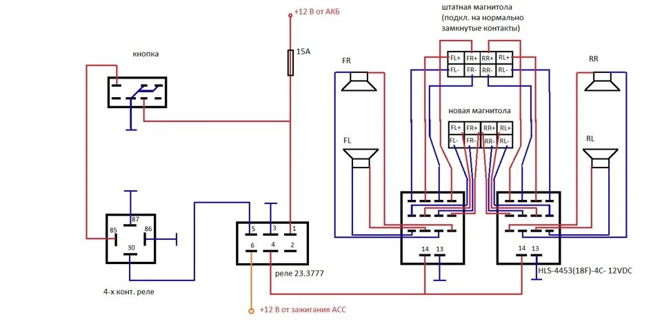
Как подключить 2 магнитолы