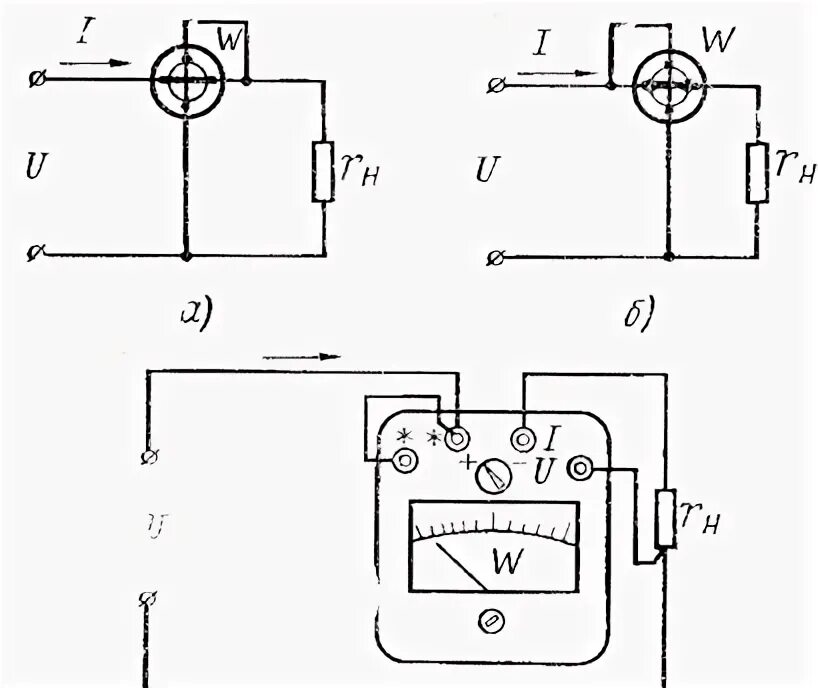
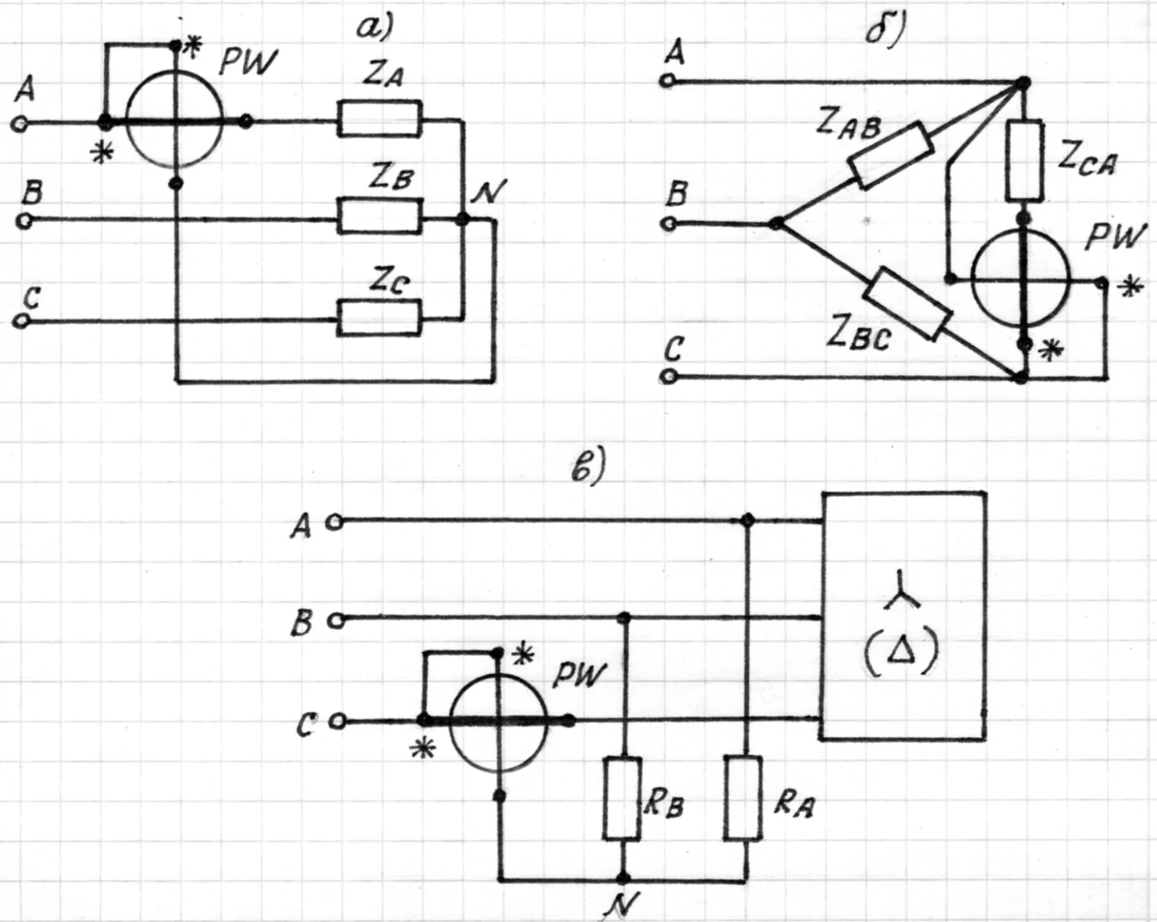
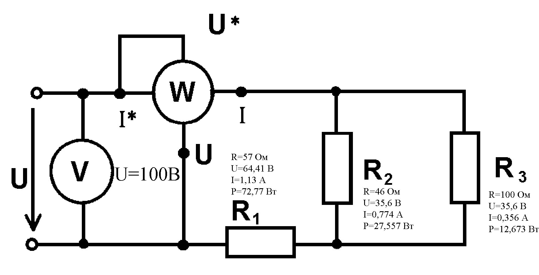
Как подключается ваттметр