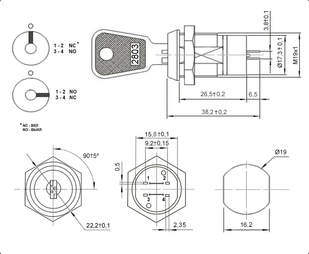
Как подключается ключ