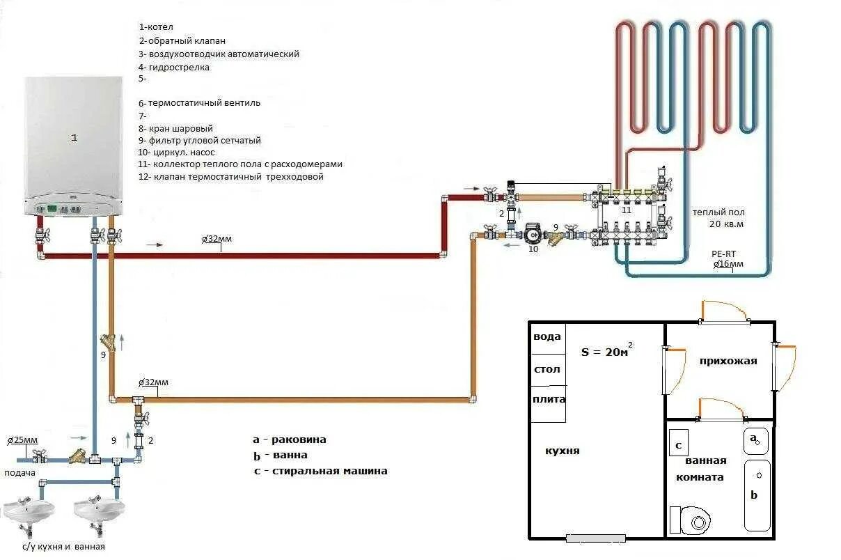
Как подключается газовый котел