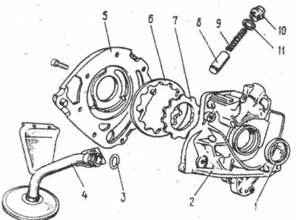
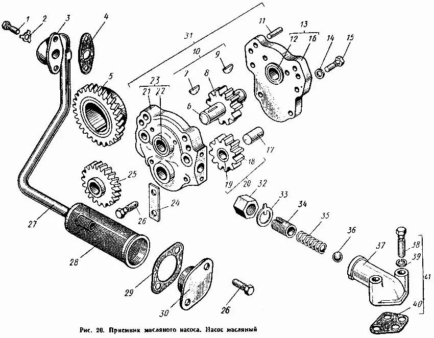
Как отрегулировать масляный насос