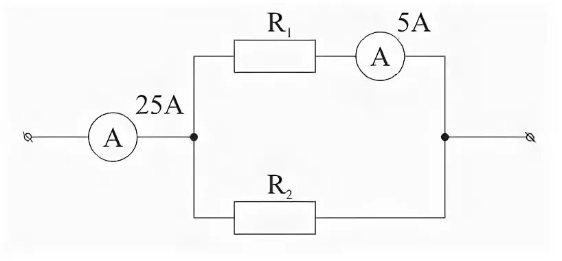
Как определить заряд в амперметре