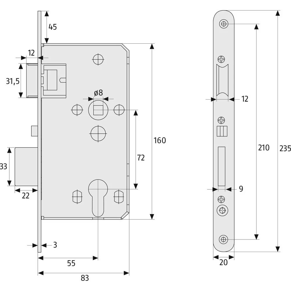
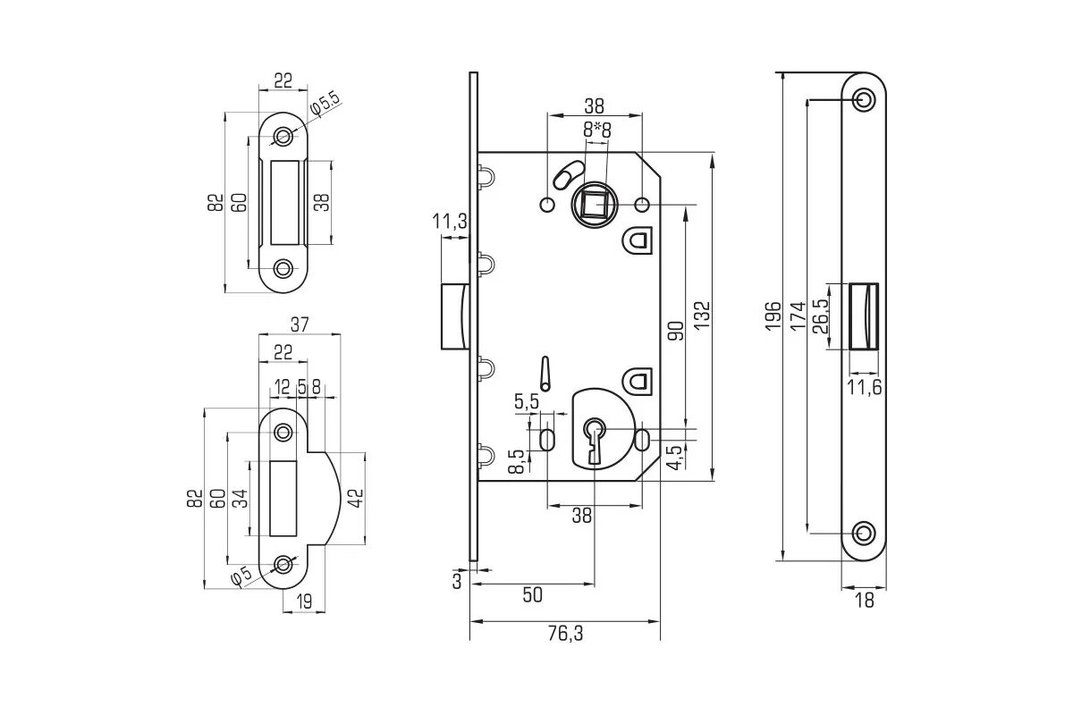
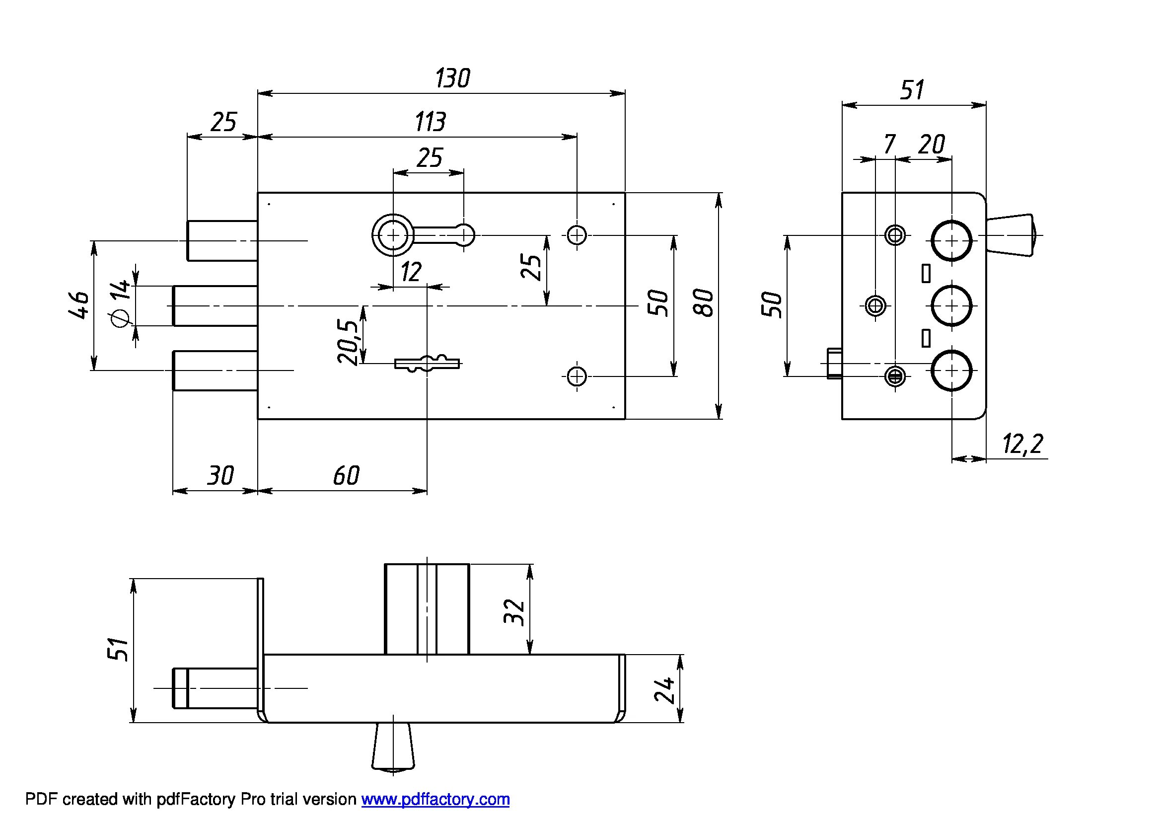
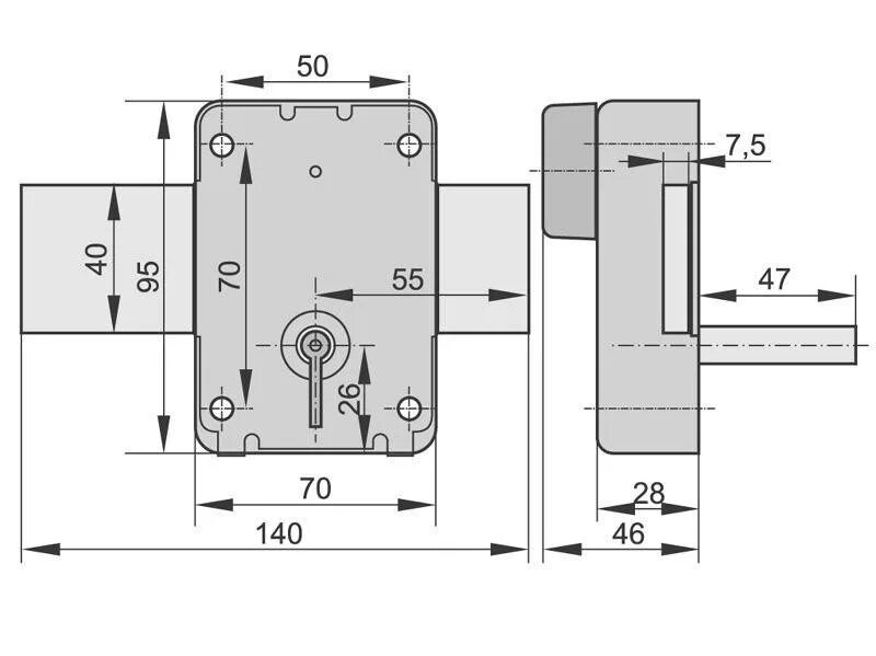
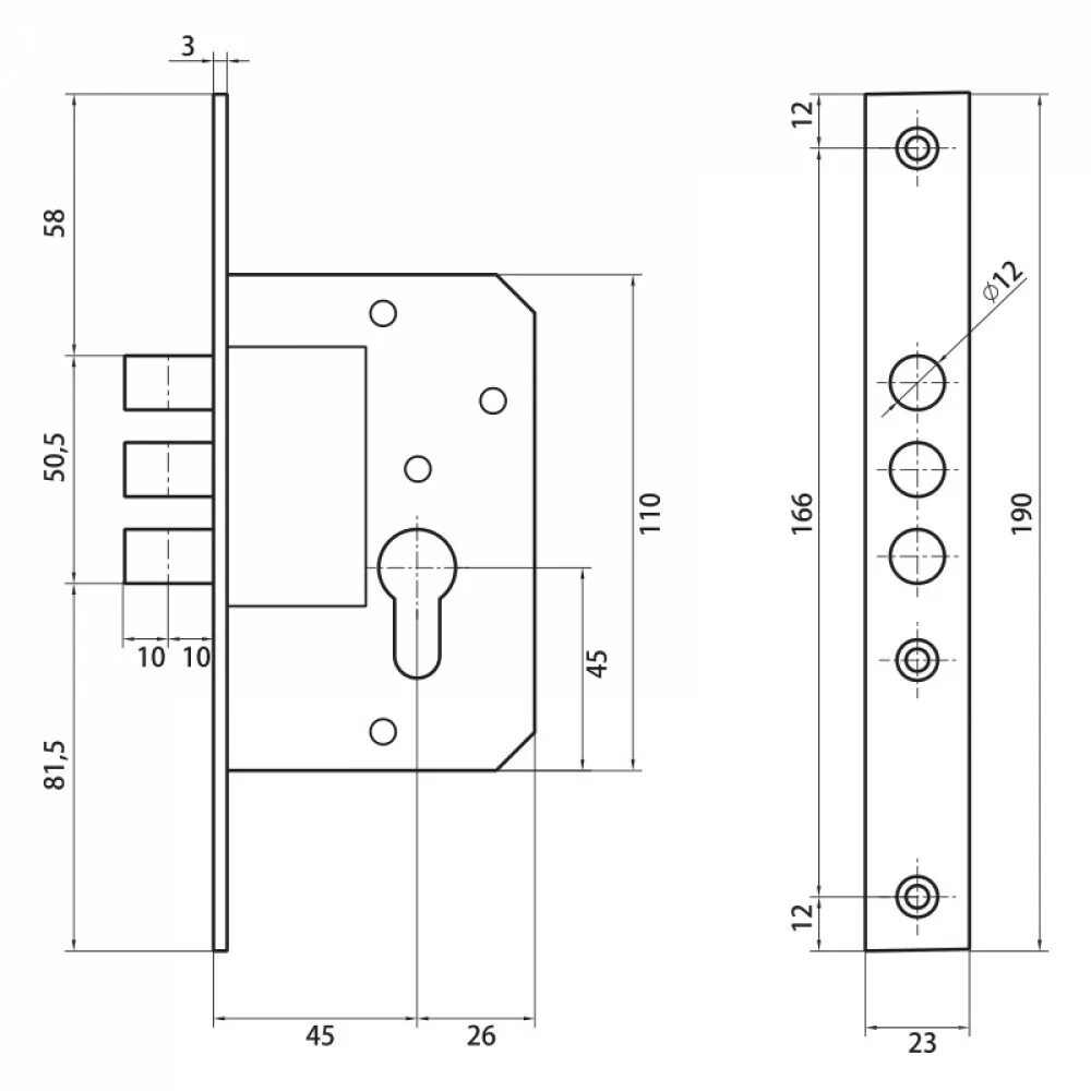
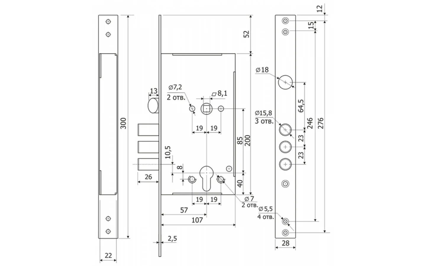
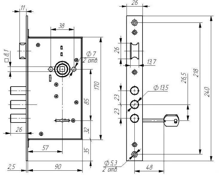
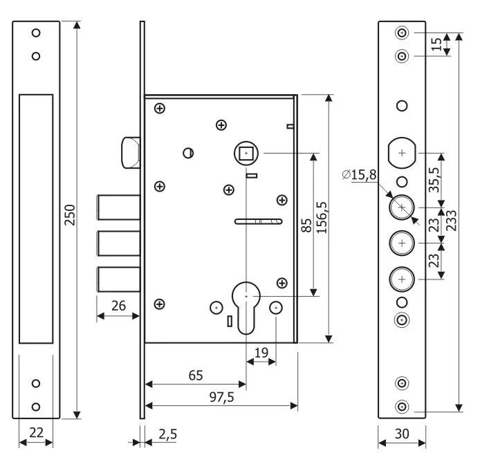
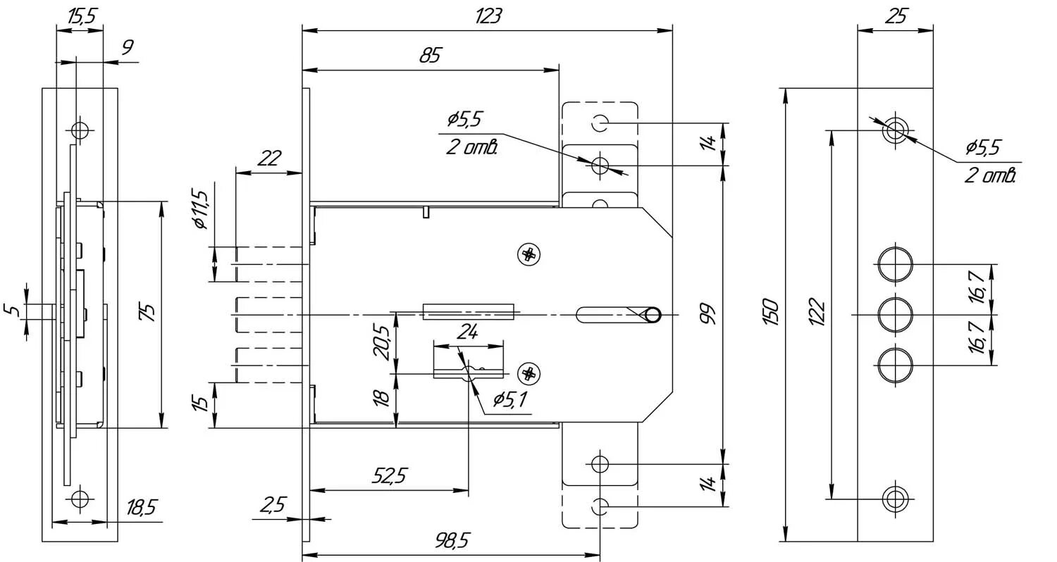
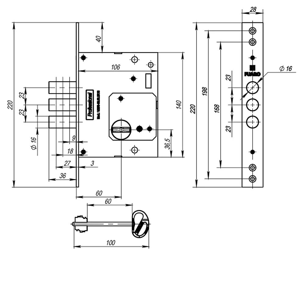
Как определить размеры замка