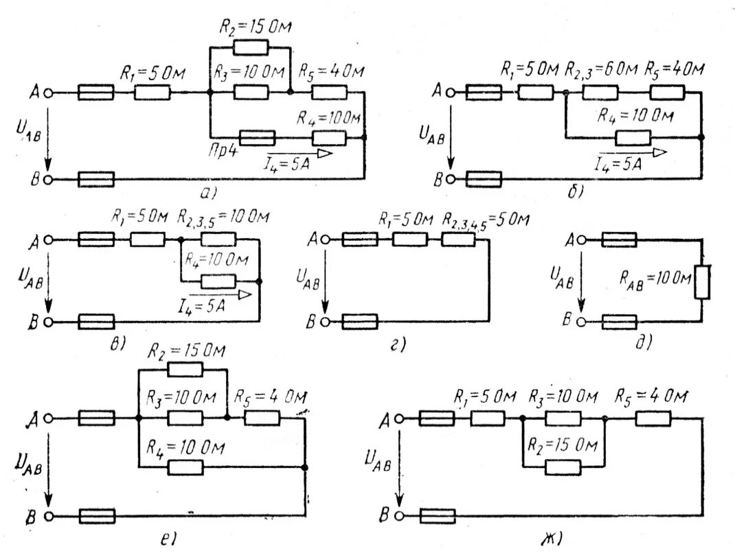
Как определить напряжение на резисторе в схеме