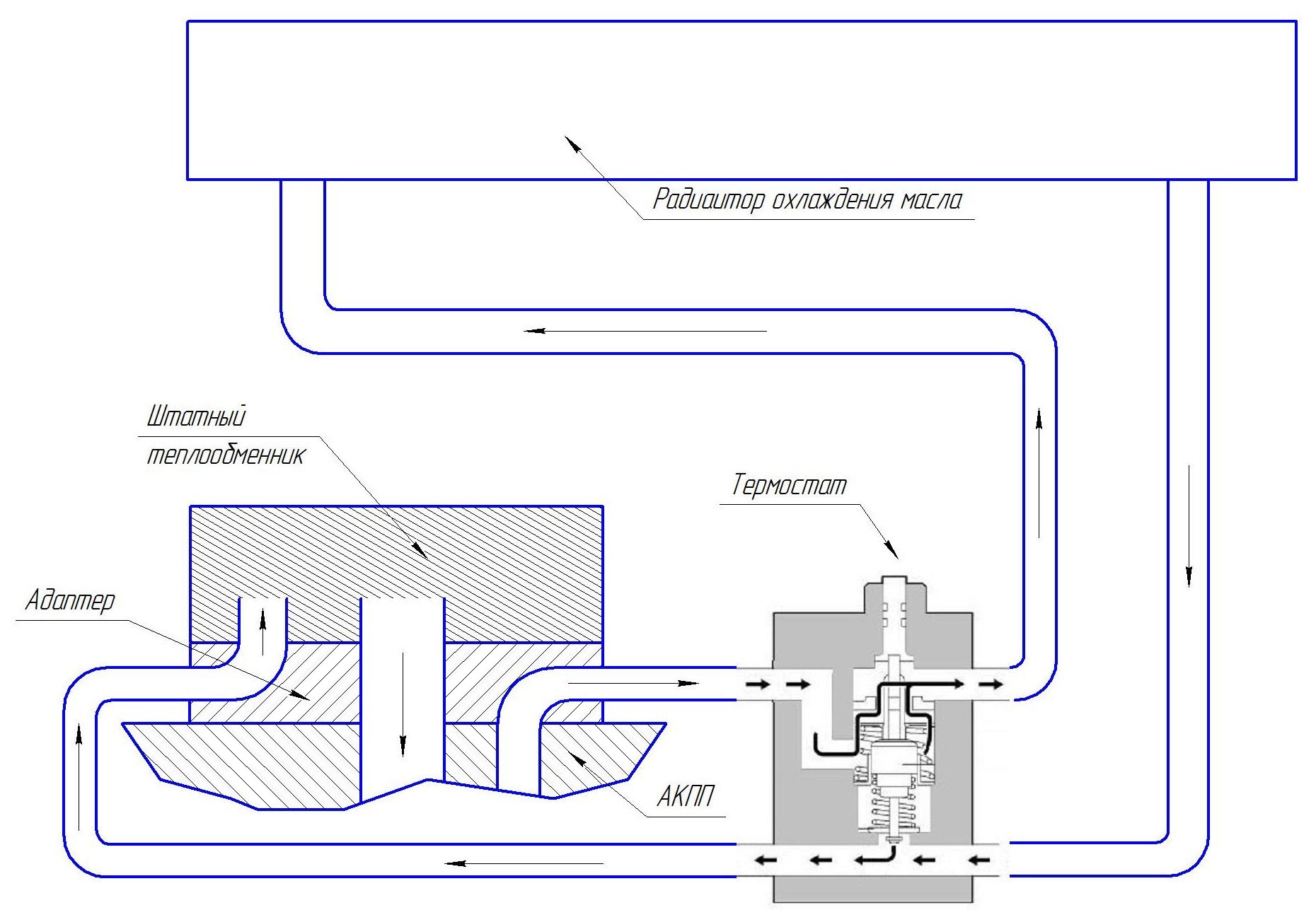
Как охлаждается коробка