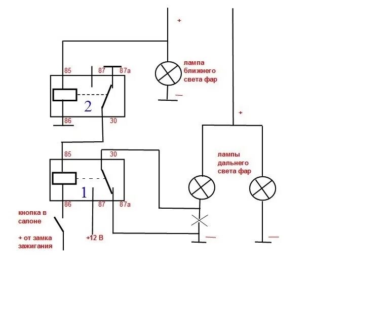
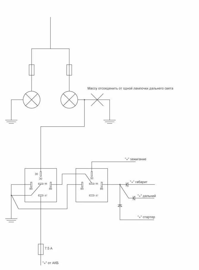
Как использовать дальний свет