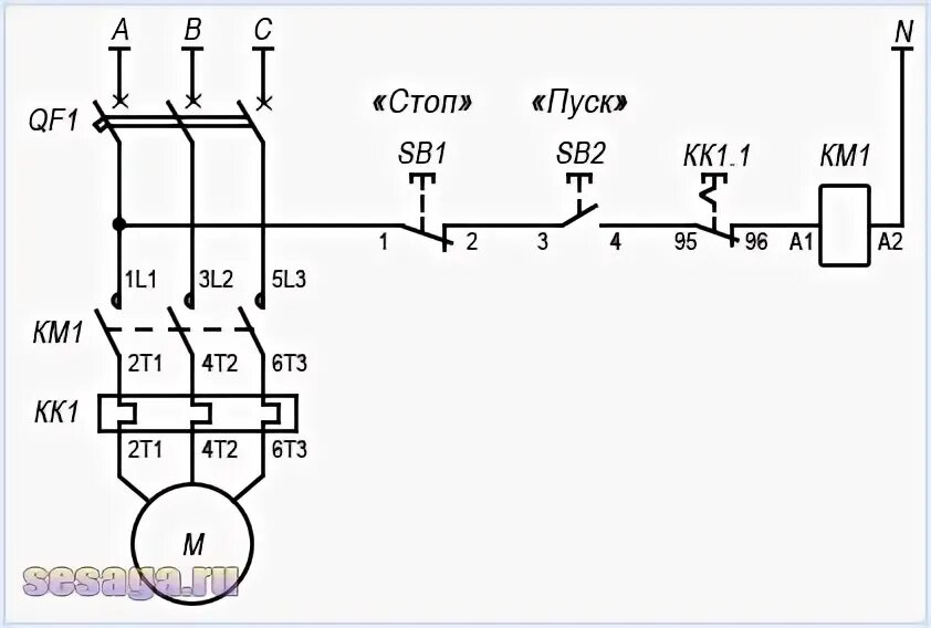
Как читать электросхемы для начинающих