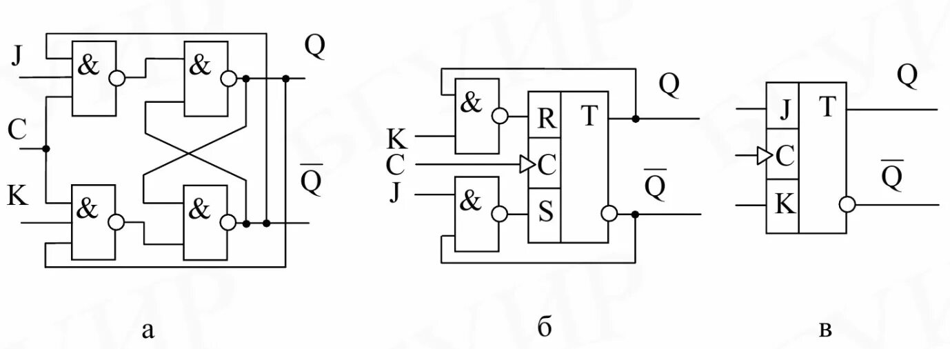
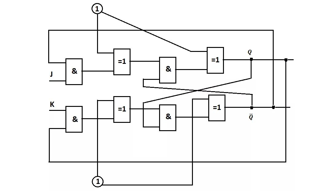
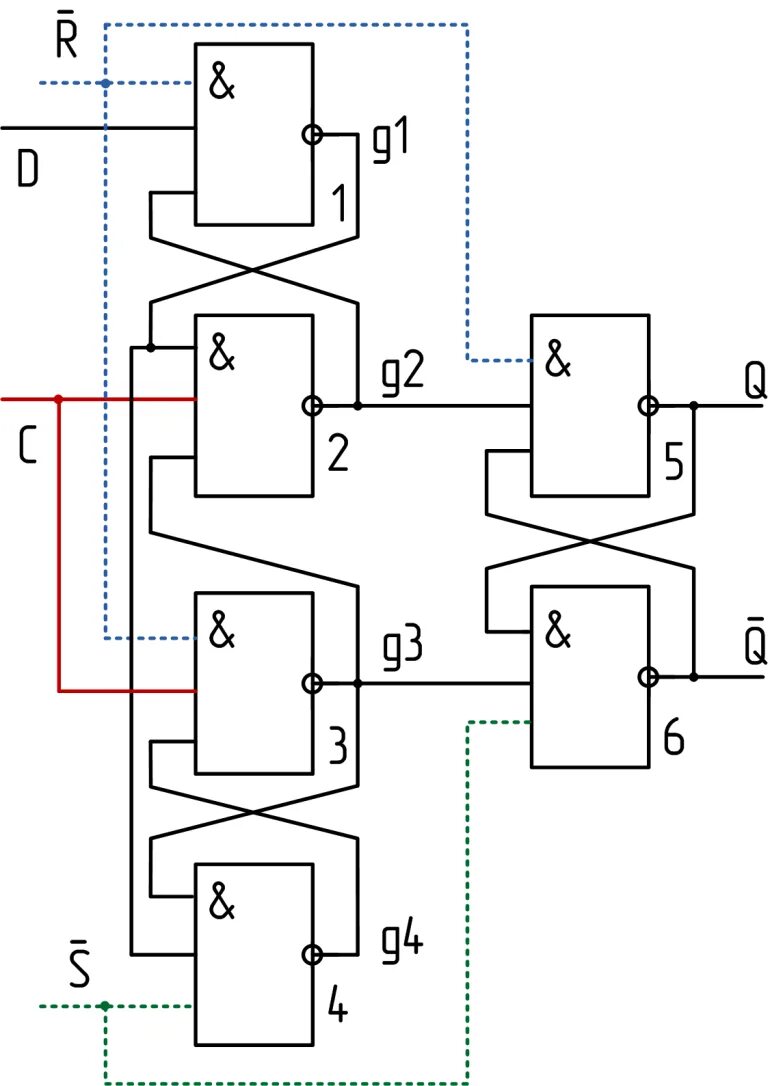
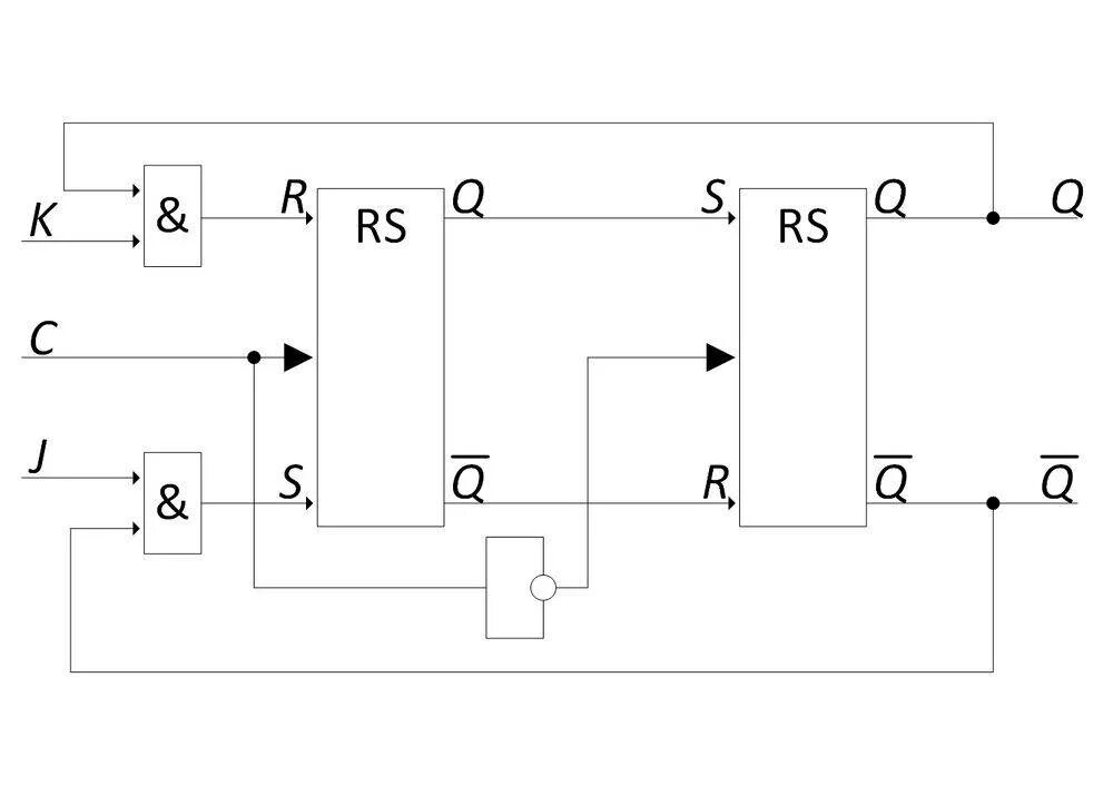
Jk триггер схема