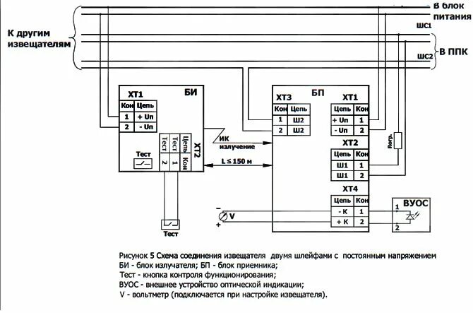
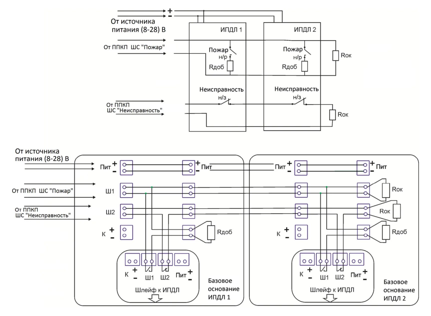
Извещатель линейный ипдл д ii 4р