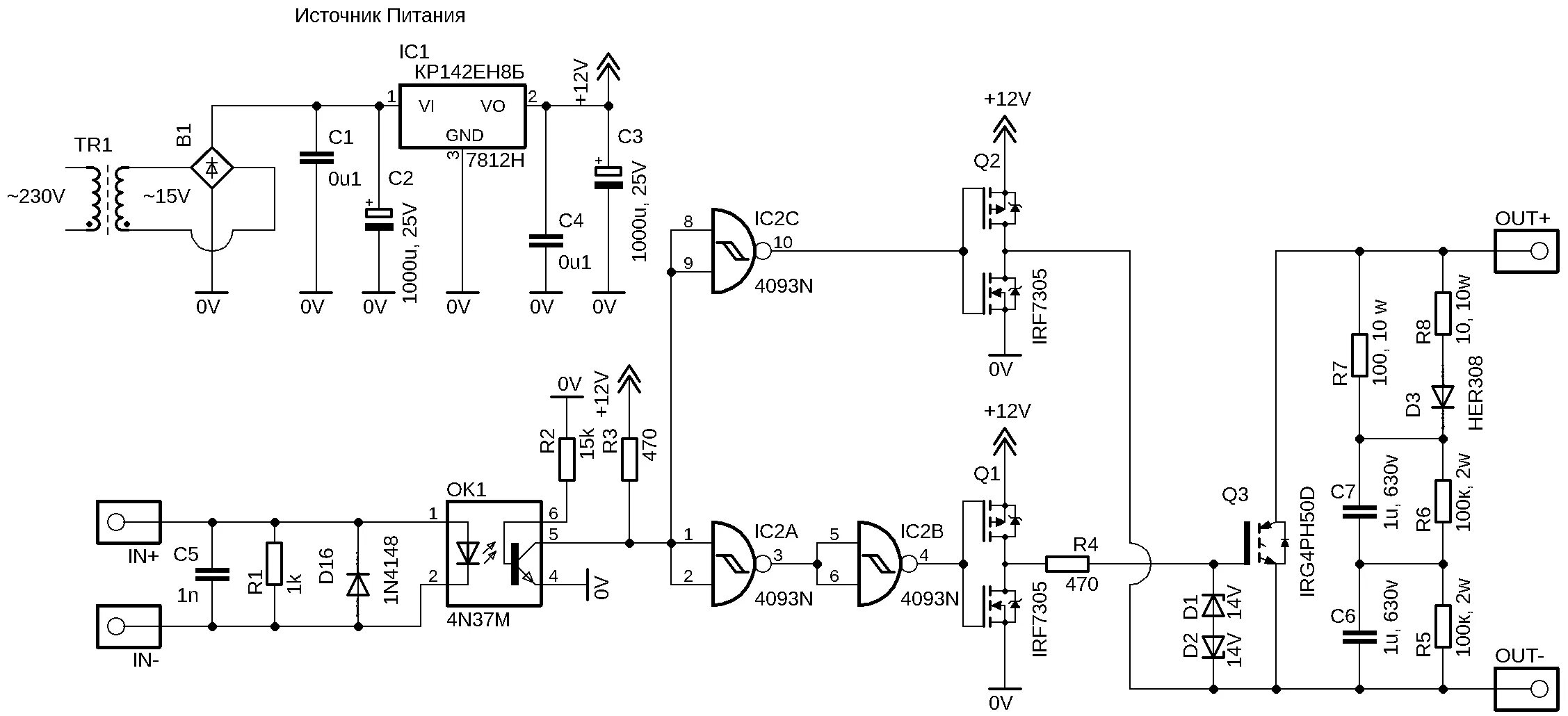
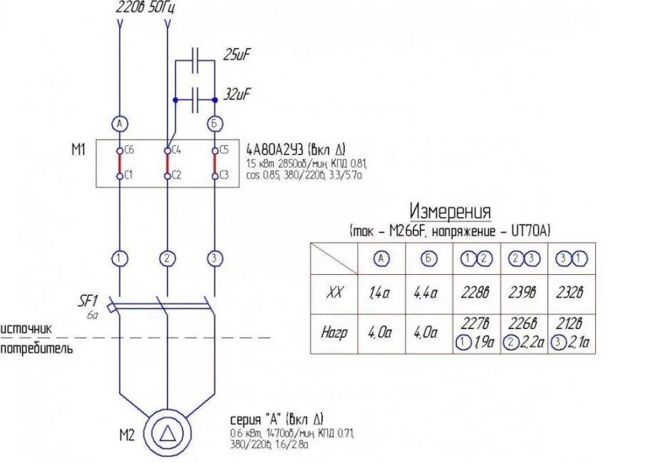
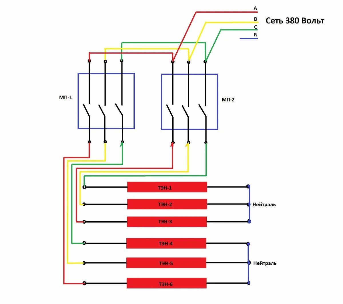
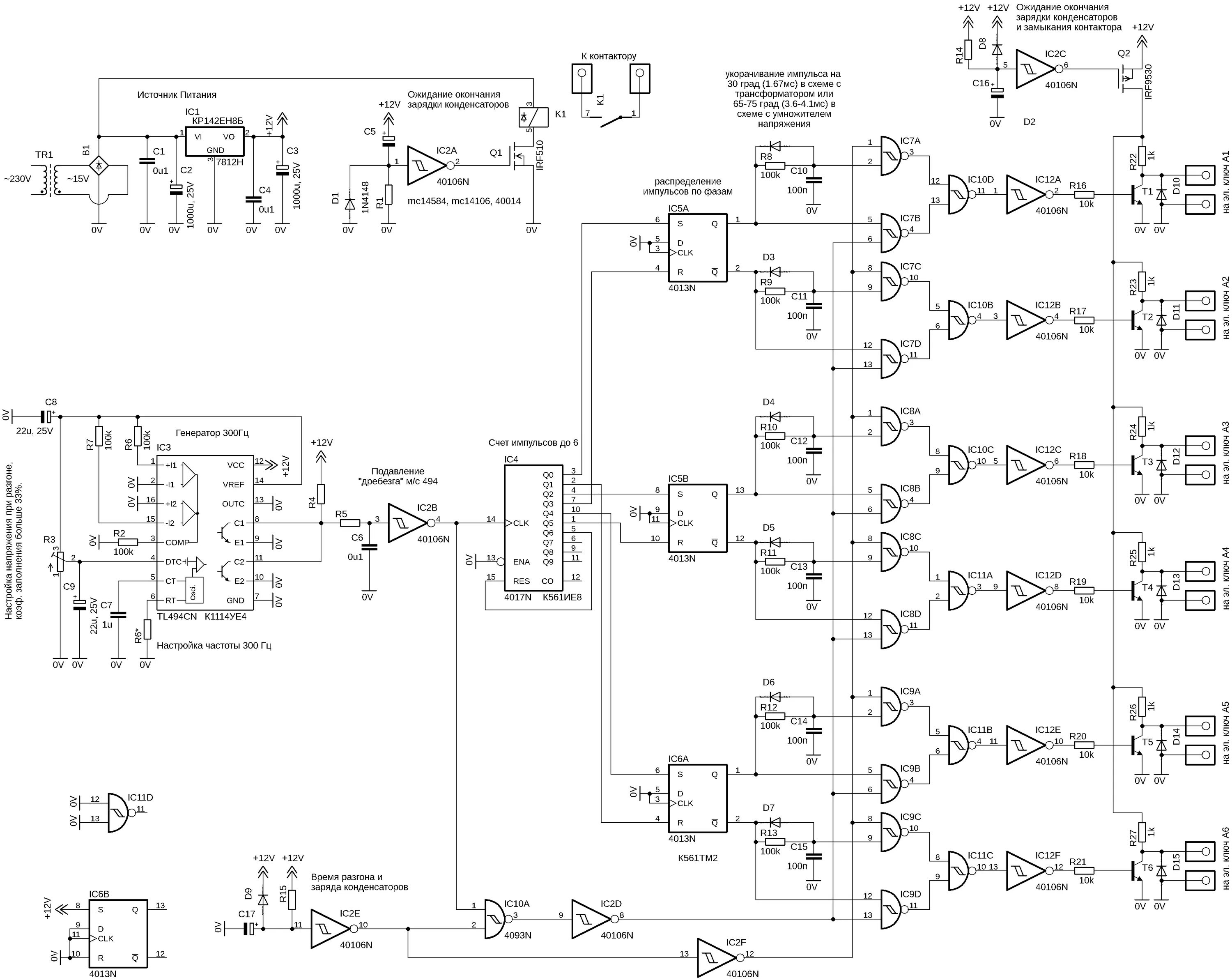
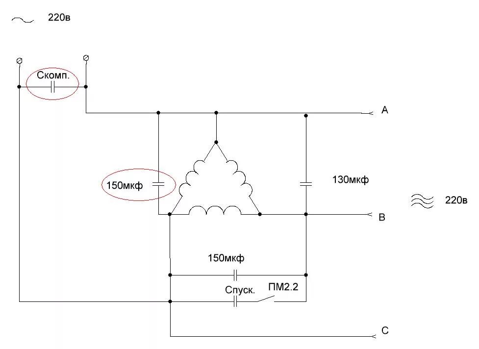
Из одной фазы сделать 3 фазы