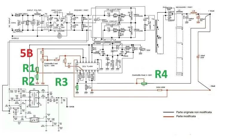
Из компьютера сделать зарядное устройство