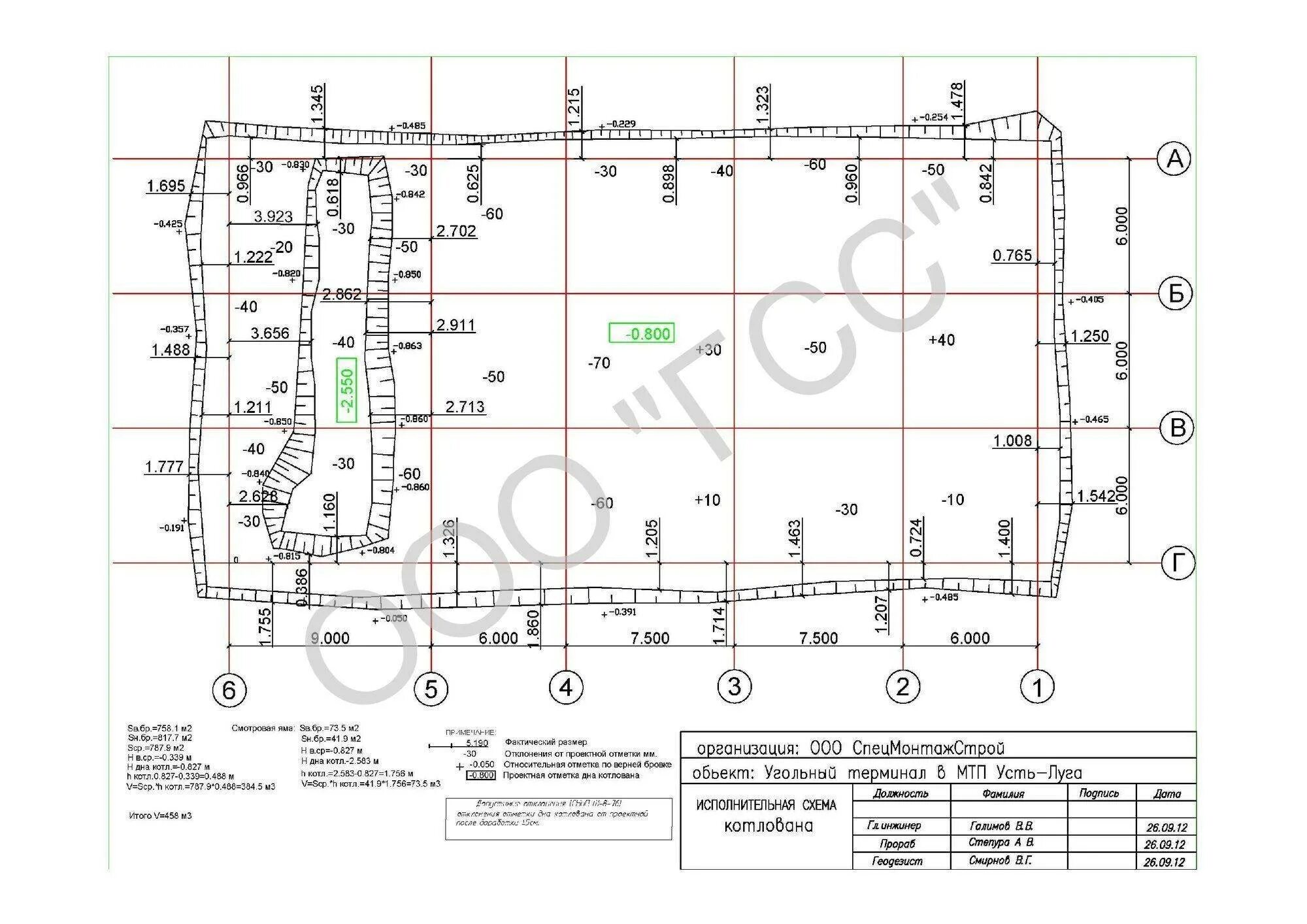
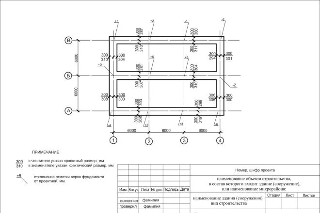
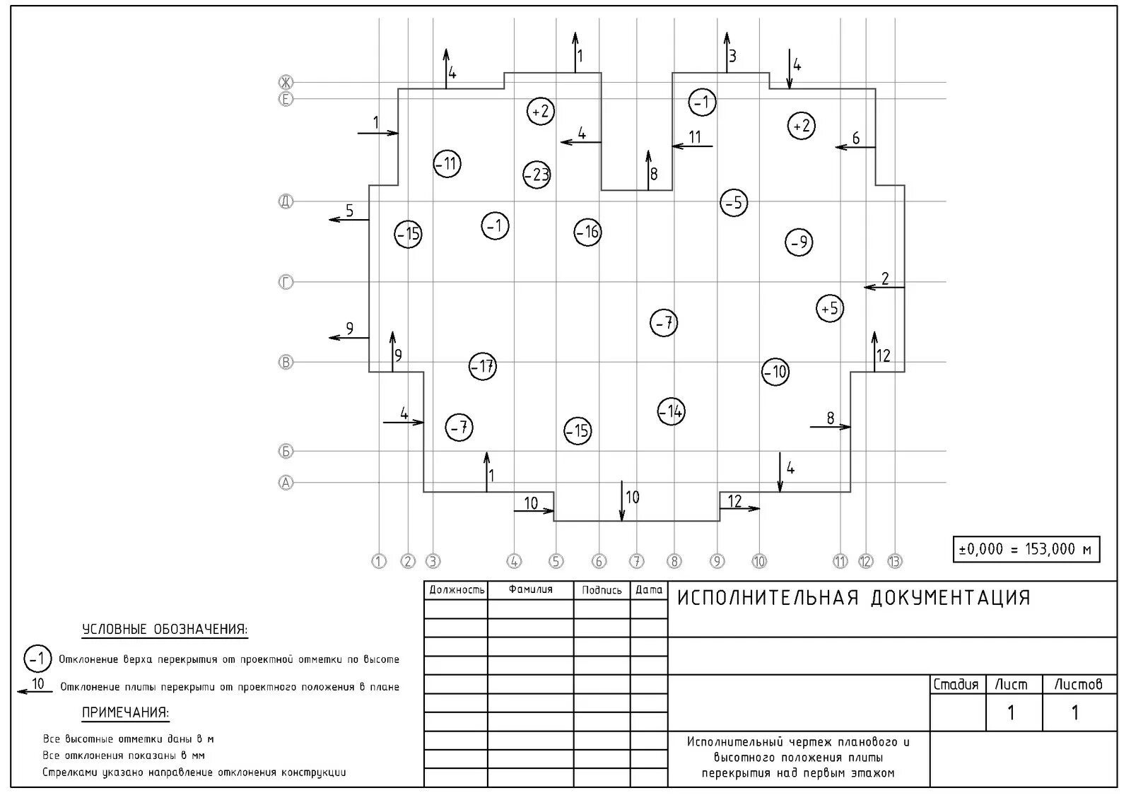
Исполнительная съемка в строительстве