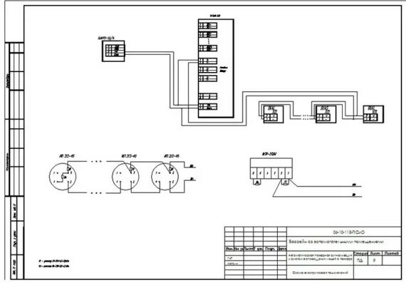
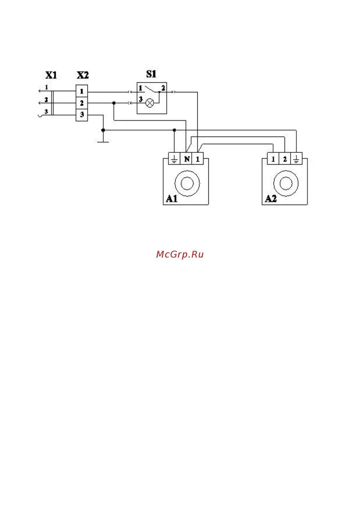
Ипр сигнал 20