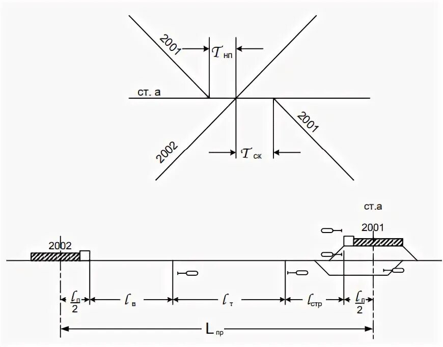
Интервал следования поездов