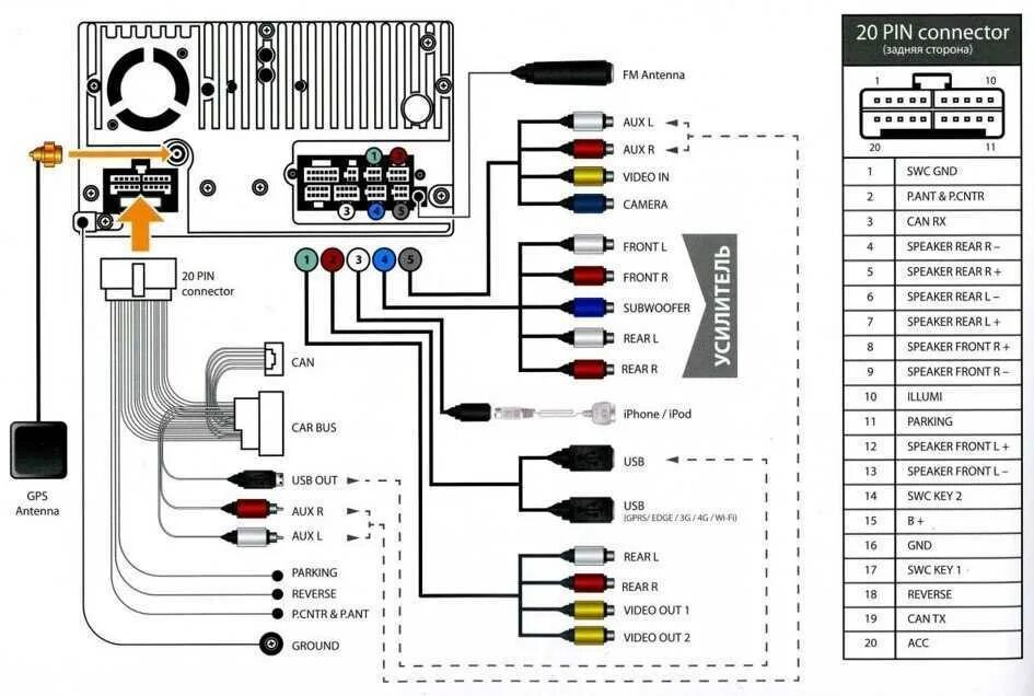
Инструкция подключения андроид магнитолы