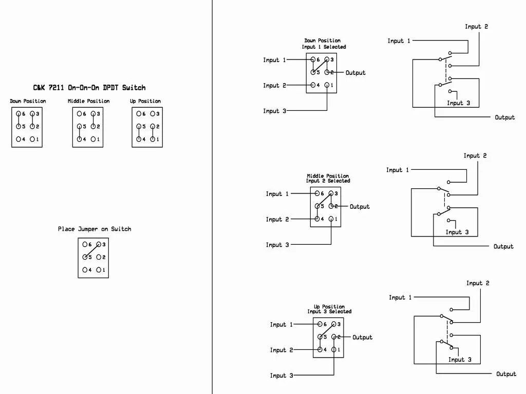
Input position