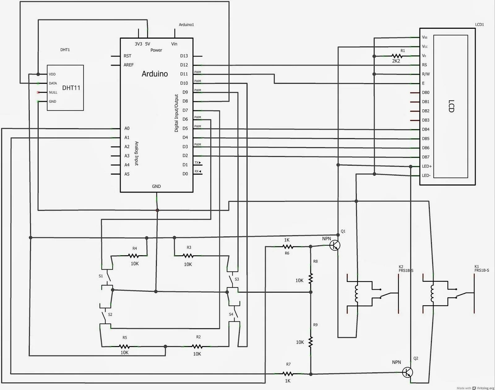
Инкубатор на ардуино