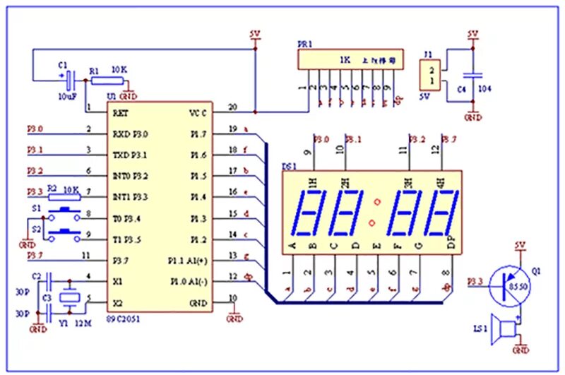
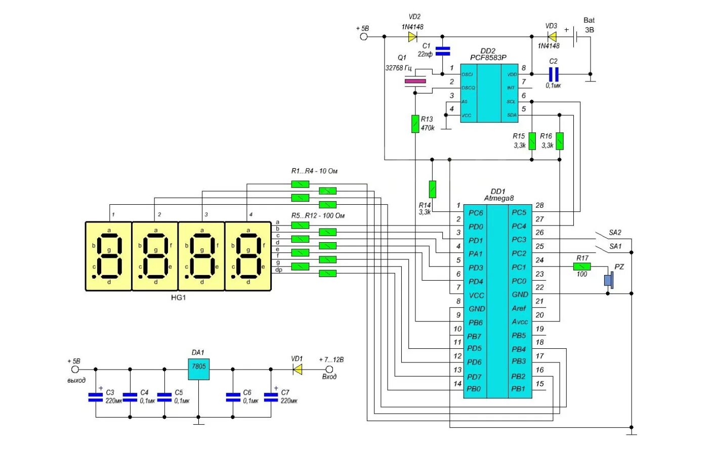
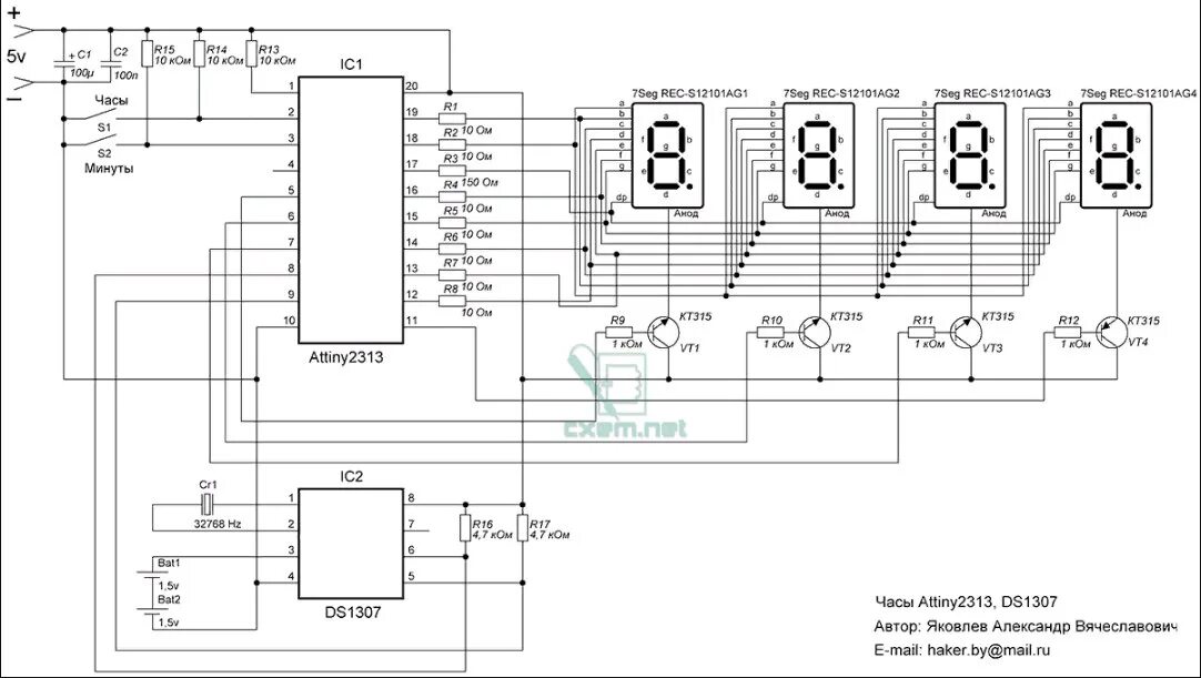
Индикаторы на микроконтроллерах