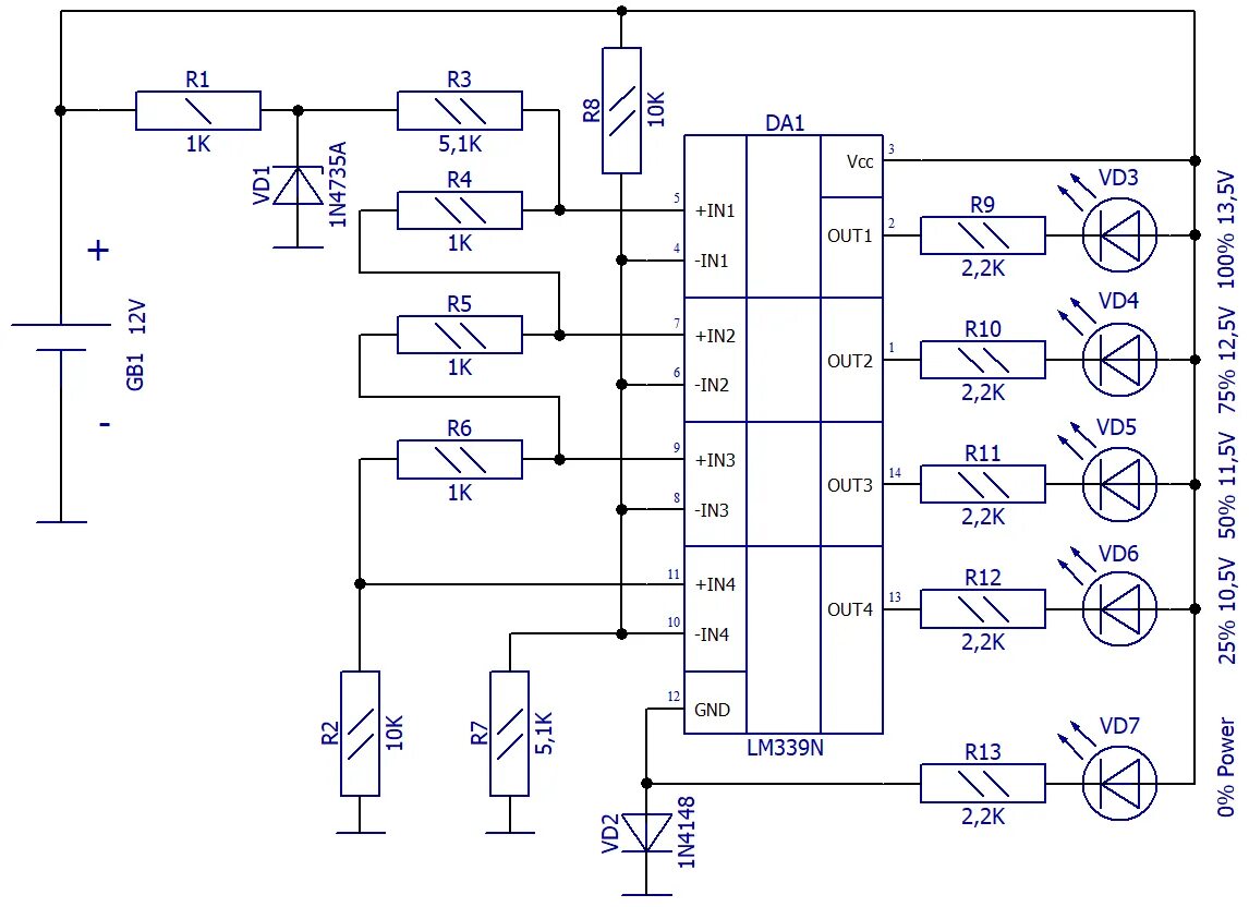
Индикатор подключения зарядного устройства